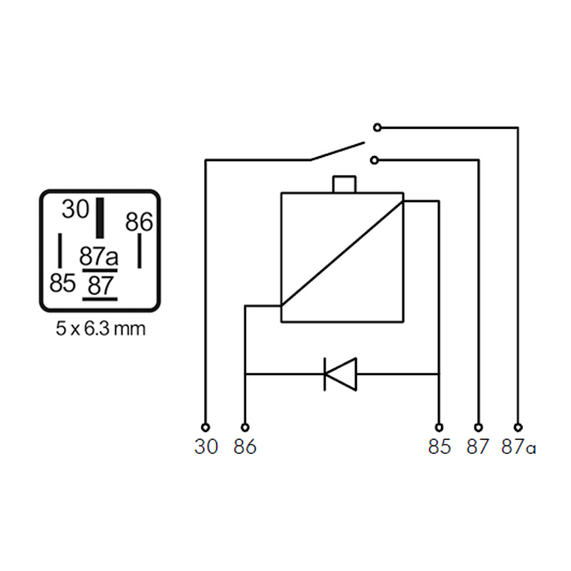
MAHLE Wechselrelais MR64 (Nagares RLP/52-12D) mit integrierter Schutzdiode gegen Überspannungsspitzen für elektronische Schaltausgänge – Anzahl der Kontakte: 5 – Betriebsspannung: 12 Volt DC – Stromaufnahme 148mA – Belastbarkeit: 40 Ampère Ersatztyp für Volvo Penta 854357 Wozu werden Dioden bei elektromechanischen Relais benötigt? Fließt Strom durch einen elektrischen Leiter, so bildet sich um diesen herum ein Magnetfeld. Wird nun eine elektrische Spule abgeschaltet, bricht das Magnetfeld in ihr zusammen, und es entsteht eine Selbstinduktionsspannung. Besonderen Einfluss auf die Höhe der Selbstinduktionsspannung hat die Windungszahl der Spule. Bei Spulen mit hohen Windungszahlen kann die Selbstinduktionsspannung auf den zehn- bis zwanzigfachen Wert der angelegten Betriebsspannung ansteigen. Diese hohen Selbstinduktionsspannungen können elektronische Bauelemente zerstören oder bei den Schaltkontakten zum Kontaktabbrand führen. Bitte beachten: Ein Relais ohne Schutzschaltung kann den Ausgang des Gerätes zerstören, von dem das Relais ansteuert wird. Um diese Induktionsspannungen zu eliminieren, werden die gängigsten Kleinrelais zusätzlich mit Schutzschaltungen angeboten, mit einer sogenannten Freilauf- oder Löschdiode. Bei dieser Schaltungsvariante wird eine Diode in Sperrrichtung parallel zur Spule angeschlossen. Da die Polarität der Selbstinduktionsspannung der angelegten Spannung entgegengesetzt ist, wird die Spannung über die nun durchlässige Diode abgeleitet, und der Strom fließt durch die Spule. Installationsbeispiel 1: Eine Gerät gibt am Ausgang ein negatives Massesignal. Sie möchten damit eine Last über ein Relais einschalten. In dem Fall verbinden Sie diesen Ausgang mit der Klemme 85 und Dauerplus an die Klemme 86 vom Relais. Geschaltet wird diese Last dann über Klemme 30 und 87 vom Relais. Installationsbeispiel 2: Eine Gerät gibt am Ausgang ein positives Plussignal. Sie möchten damit eine Last über ein Relais einschalten. In dem Fall verbinden Sie diesen Ausgang mit der Klemme 86 und Masse an die Klemme 85 vom Relais. Geschaltet wird diese Last dann über Klemme 30 und 87 vom Relais. Bitte beachten: Damit es nicht durch eine Verpolung zur Zerstörung der Schutzdiode kommt, muss vor dem Einbau unbedingt darauf geachtet werden, ob die angegebene Polarität mit der bereits vorhandenen Installation übereinstimmt! Die Schutzfunktion ist sehr zuverlässig, da sie sogar geringe Selbstinduktionsspannungen ableitet. Die Spannungsspitze der Induktionsspannung wird auf die Schwellspannung der verwendeten Diode begrenzt. Nachteilig ist, dass diese Schaltungsvariante die Abfallverzögerung der Relaiskontakte im Millisekundenbereich verzögert. Dies kann aufgrund der verlängerten Schaltlichtbogendauer zu einer Reduzierung der Lebensdauer der Schaltkontakte führen. Es gibt noch weitere Schutz-Ausführungen, wie Widerstände, Zenerdiode, Varistor und RC-Glied, welche hier aber keine Erwähnung finden, da im Automobil-Bereich, nebst den Relais ohne Schutzfunktion, fast ausschließlich diese Variante mit Diode zur Anwendung kommen. Wie erwähnt, funktionieren die allermeisten Anwendungen mit Relais ohne diese Schutzschaltungen problemlos. Im Zweifelsfall ein Relais mit Parallelwiderstand verwenden. Dann ergeben sich keine Probleme mit der Funktion des Relais und mit der Polarität des Spulenstromes
MAHLE Relais 40 Ampère mit Schutzdiode, 12 Volt (Nagares RLP-52-12D)
4,71 €
zzgl. Versandkosten
MAHLE Relais 40 Ampère mit Schutzdiode, 12 Volt (Nagares RLP-52-12D)
EAN: 8436034410805
Artikelnummer: MR64
Kategorien: Ampire, Werkstattbedarf, Relais
Schlagwort: , MR64
Marke: Ampire
| Gewicht | 0,03 kg |
|---|---|
| Zustand | new |













